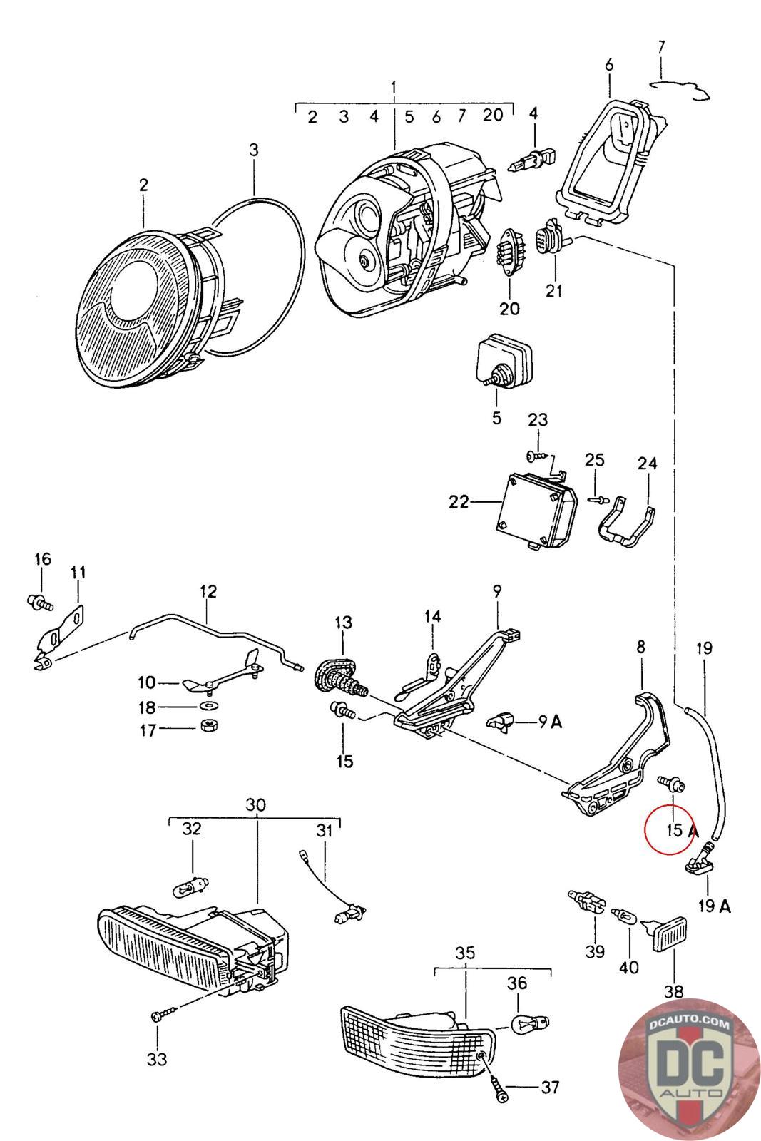
90006732102
SCREW 6X16, .
900 067 321 02
SELECT
PART NO
90006732102
DESCRIPTION
Note this is a special order item, delivery estimate 1-2 weeks.
CONDITION
NEW - GENUINE PORSCHE
MANUFACTURER
-
PRICE
$6.97
QTY
Available: 999
90006732102
Note this is a special order item, delivery estimate 1-2 weeks.
NEW - GENUINE PORSCHE
-
$
6.97
Available: 999