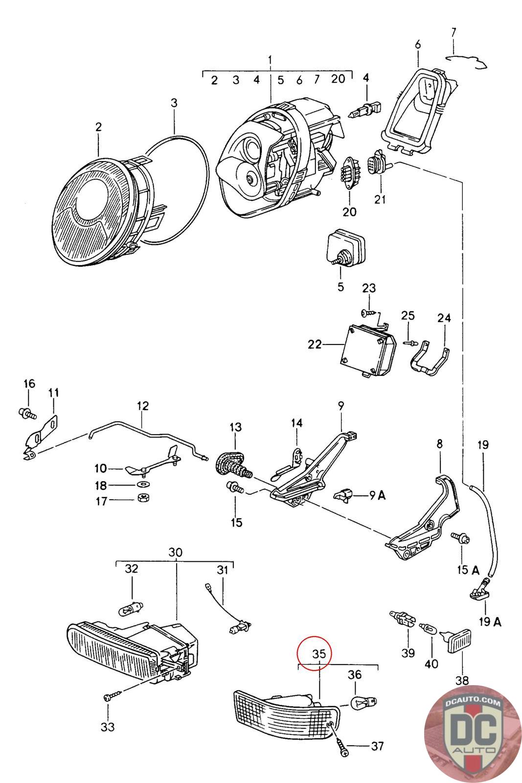
99363107100
TURN SIGNAL ASSEMBLY
993 631 071 00 [/L]
SELECT
SERIAL #
93535
DESCRIPTION
Has cosmetic issues. See photos for condition.
CONDITION
USED - X
MILEAGE
-
PRICE
$60.00
QTY
Available: 1
93535
Has cosmetic issues. See photos for condition.
USED - X
-
$
60.00
Available: 1
SELECT
SERIAL #
93534
DESCRIPTION
Has cosmetic issues. See photos for condition. Slightly melty
CONDITION
USED - X
MILEAGE
-
PRICE
$60.00
QTY
Available: 1
93534
Has cosmetic issues. See photos for condition. Slightly melty
USED - X
-
$
60.00
Available: 1