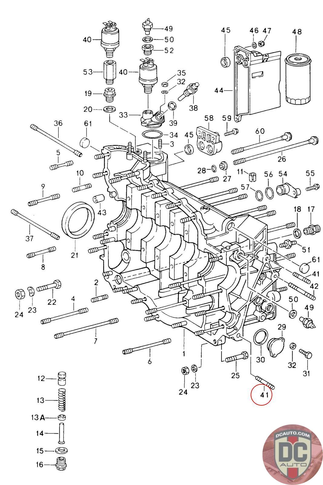
99906230102
STUD BM 10X35
999 062 301 02 [M64.01/02/03]
SELECT
PART NO
99906230102
DESCRIPTION
Note this is a special order item, delivery estimate 1-2 weeks.
CONDITION
NEW - GENUINE PORSCHE
MANUFACTURER
-
PRICE
$9.97
QTY
Available: 999
99906230102
Note this is a special order item, delivery estimate 1-2 weeks.
NEW - GENUINE PORSCHE
-
$
9.97
Available: 999