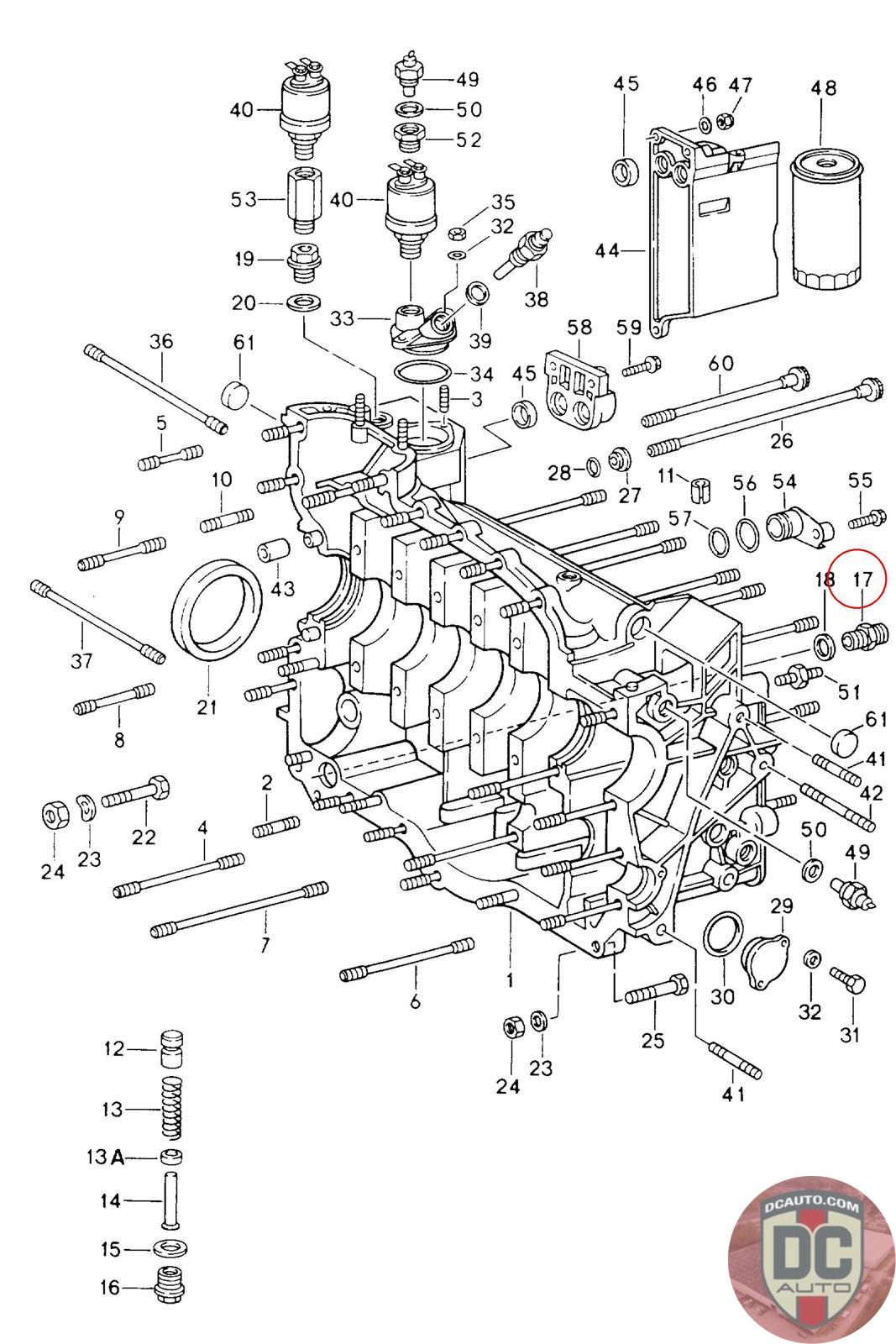
96520731500
SCREW SOCKET, SUPERSEDED TO 96520731501
965 207 315 00
SELECT
PART NO
96520731500
DESCRIPTION
Note this is a special order item, delivery estimate 1-2 weeks.
CONDITION
NEW - GENUINE PORSCHE
MANUFACTURER
-
PRICE
$30.97
QTY
Available: 999
96520731500
Note this is a special order item, delivery estimate 1-2 weeks.
NEW - GENUINE PORSCHE
-
$
30.97
Available: 999