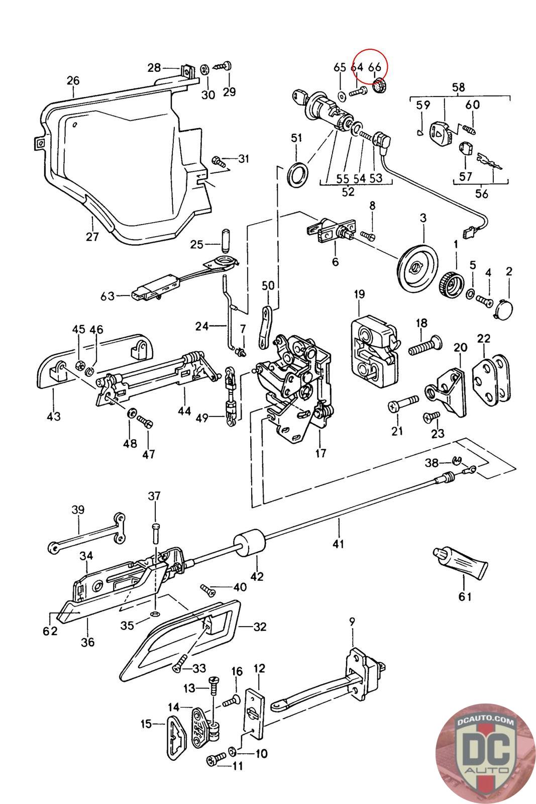
99970322440
CAP 20.5MM
999 703 224 40 [930.20/25/26]
SELECT
PART NO
99970322440
DESCRIPTION
Note this is a special order item, delivery estimate 1-2 weeks.
CONDITION
NEW - GENUINE PORSCHE
MANUFACTURER
-
PRICE
$4.97
OUT OF STOCK
99970322440
Note this is a special order item, delivery estimate 1-2 weeks.
NEW - GENUINE PORSCHE
-
$
4.97
Available: 0