93011025600
PLUG
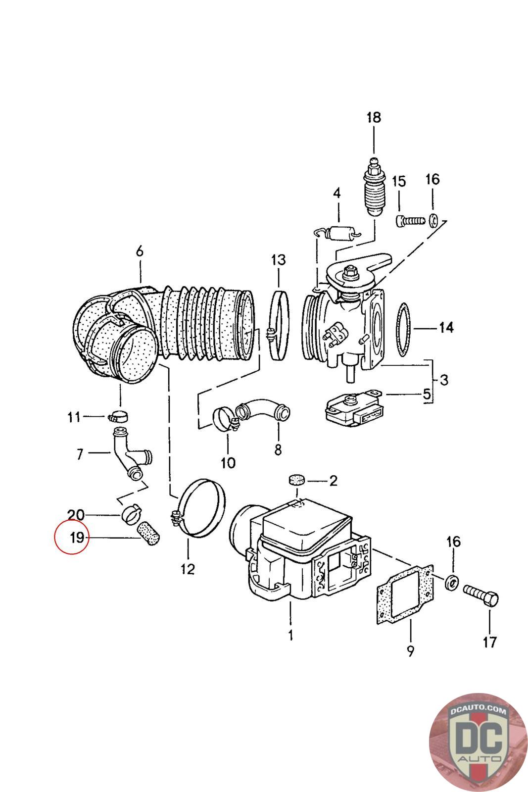
930 110 256 00 [CS]
SELECT
PART NO
93011025600
DESCRIPTION
Note this is a special order item, delivery estimate 1-2 weeks.
CONDITION
NEW - GENUINE PORSCHE
MANUFACTURER
-
PRICE
$14.97
OUT OF STOCK
93011025600
Note this is a special order item, delivery estimate 1-2 weeks.
NEW - GENUINE PORSCHE
-
$
14.97
Available: 0