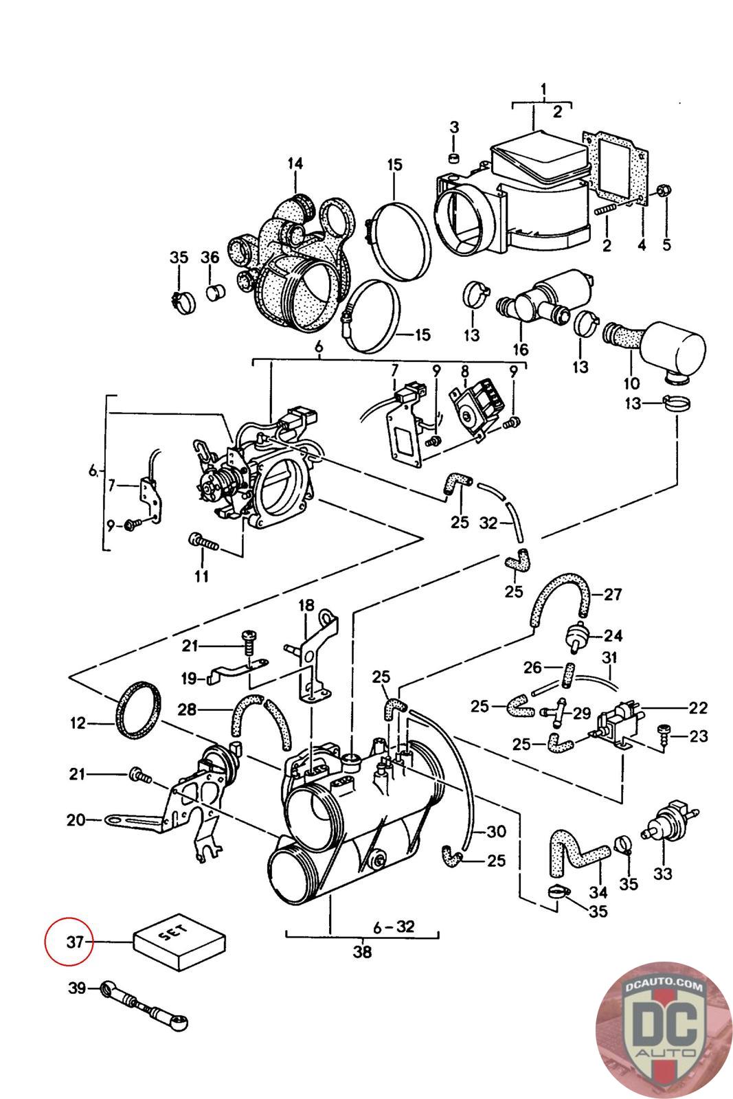
96411097002
PARTS KIT
964 110 970 02 [With Cruise Control]
SELECT
SERIAL #
68252
DESCRIPTION
-
CONDITION
USED - X
MILEAGE
-
PRICE
$15.00
$20.00
QTY
Available: 999
68252
-
USED - X
-
$
15.00
On Sale! $20.00
Available: 999