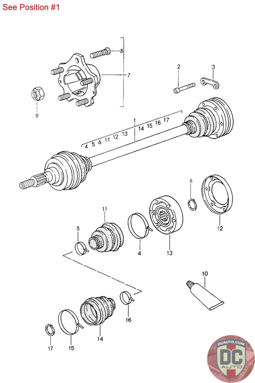
96433203700
DRIVE SHAFT, SUPERSEDED TO 96433203701
964 332 037 00 [Turbo Look, Tiptronic]
SELECT
PART NO
96433203700
DESCRIPTION
Note this is a special order item, delivery estimate 1-2 weeks.
CONDITION
NEW - GENUINE PORSCHE
MANUFACTURER
-
PRICE
$670.97
QTY
Available: 999
96433203700
Note this is a special order item, delivery estimate 1-2 weeks.
NEW - GENUINE PORSCHE
-
$
670.97
Available: 999