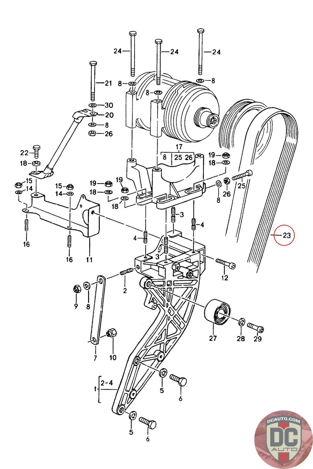
99919236550
POLY-RIB BELT 6 PK 1411
999 192 365 50
SELECT
PART NO
99919236550
DESCRIPTION
Note this is a special order item, delivery estimate 1-2 weeks.
CONDITION
NEW - OEM
PRICE
$72.62
QTY
Available: 999
99919236550
Note this is a special order item, delivery estimate 1-2 weeks.
NEW - OEM
$
72.62
Available: 999