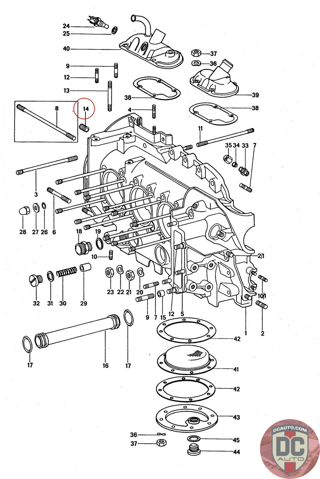
99950406202
THREADED BUSH
999 504 062 02
SELECT
SERIAL #
75610
DESCRIPTION
-
CONDITION
USED - X
MILEAGE
-
PRICE
$15.00
$20.00
QTY
Available: 999
75610
-
USED - X
-
$
15.00
On Sale! $20.00
Available: 999