93010220101
FLYWHEEL
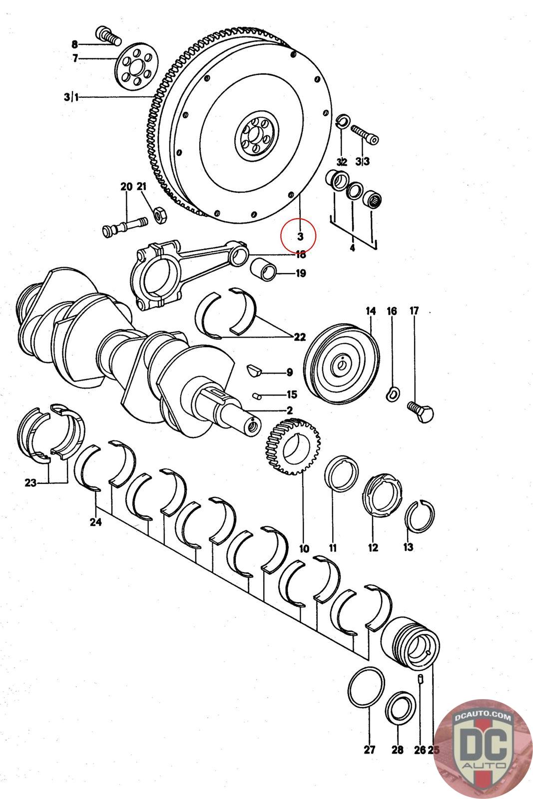
930 102 201 01
SELECT
PART NO
93010220101
DESCRIPTION
FLYWHEEL ***CLEARANCE PRICE***
CONDITION
NEW - OEM
93010220101
FLYWHEEL ***CLEARANCE PRICE***
NEW - OEM