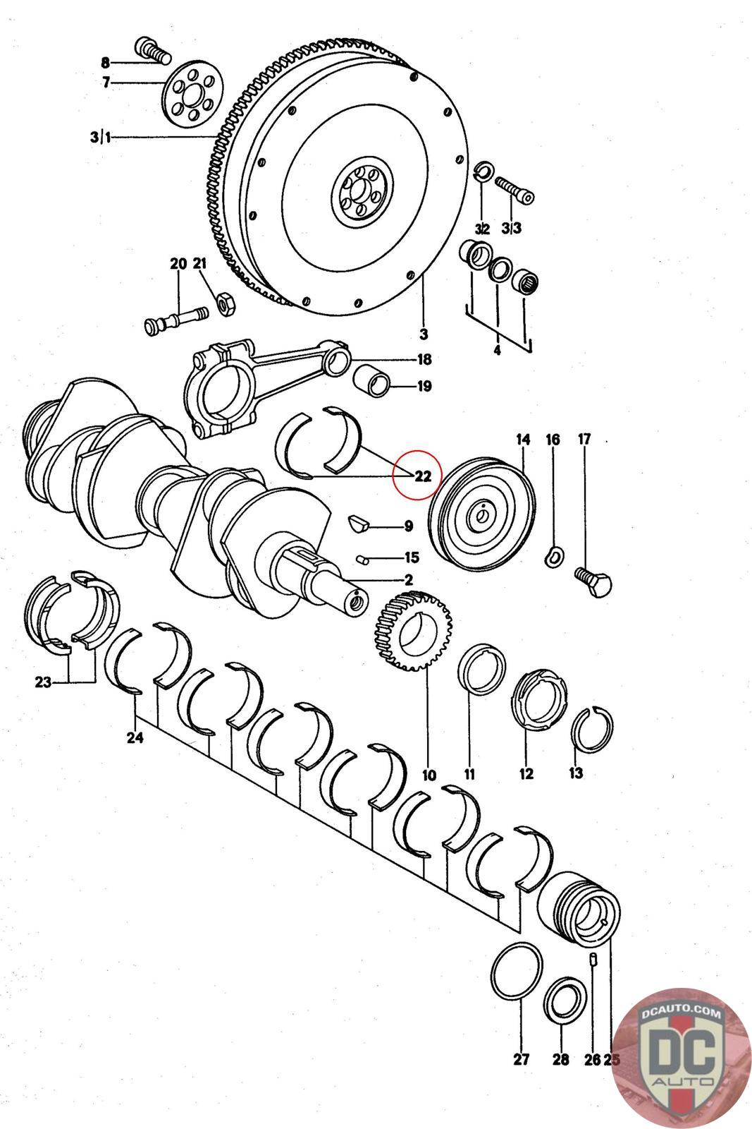
91410314150
CONNECTING-ROD BEARING, UNDERSIDE 0.25MM, SUPERSEDED TO 91410314151
914 103 141 50
SELECT
PART NO
91410314150
DESCRIPTION
Note this is a special order item, delivery estimate 1-2 weeks.
CONDITION
NEW - OEM
PRICE
$37.95
QTY
Available: 999
91410314150
Note this is a special order item, delivery estimate 1-2 weeks.
NEW - OEM
$
37.95
Available: 999