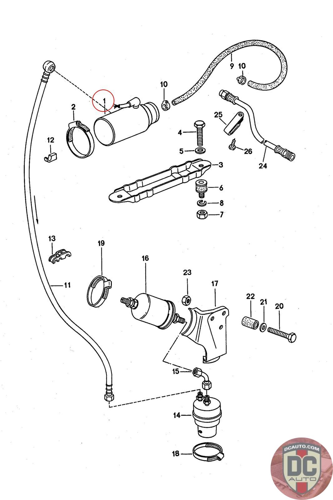
93060811100
FUEL PUMP, SUPERSEDED TO 93060811101, 93060811104
930 608 111 00 [-1976]
SELECT
SERIAL #
63163
DESCRIPTION
-
CONDITION
USED - X
MILEAGE
-
63163
-
USED - X
-