91162823600
FILLING HOSE 25X32X710, .
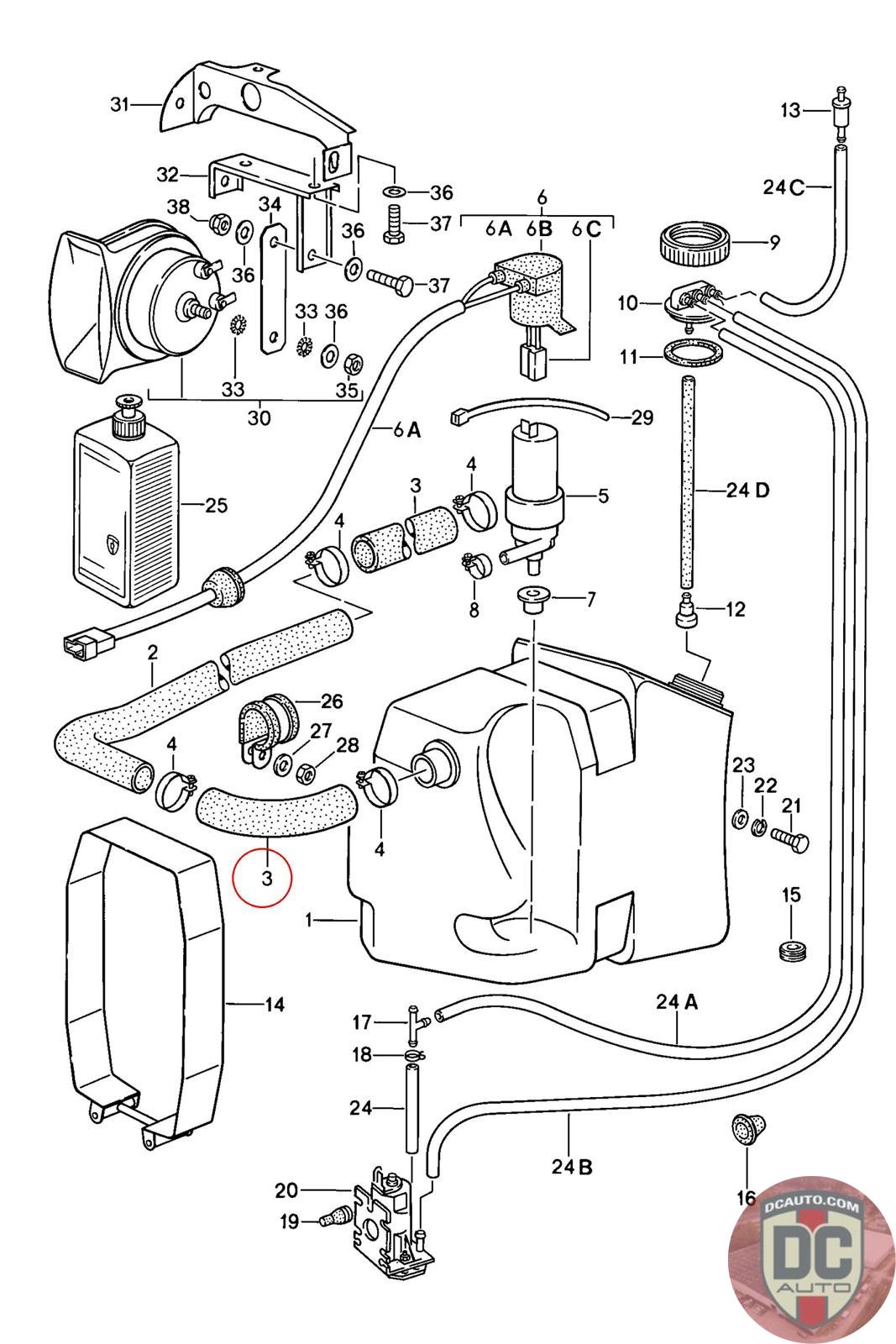
911 628 236 00 [87]
SELECT
PART NO
91162823600
DESCRIPTION
Note this is a special order item, delivery estimate 1-2 weeks.
CONDITION
NEW - GENUINE PORSCHE
MANUFACTURER
-
PRICE
$40.97
OUT OF STOCK
91162823600
Note this is a special order item, delivery estimate 1-2 weeks.
NEW - GENUINE PORSCHE
-
$
40.97
Available: 0