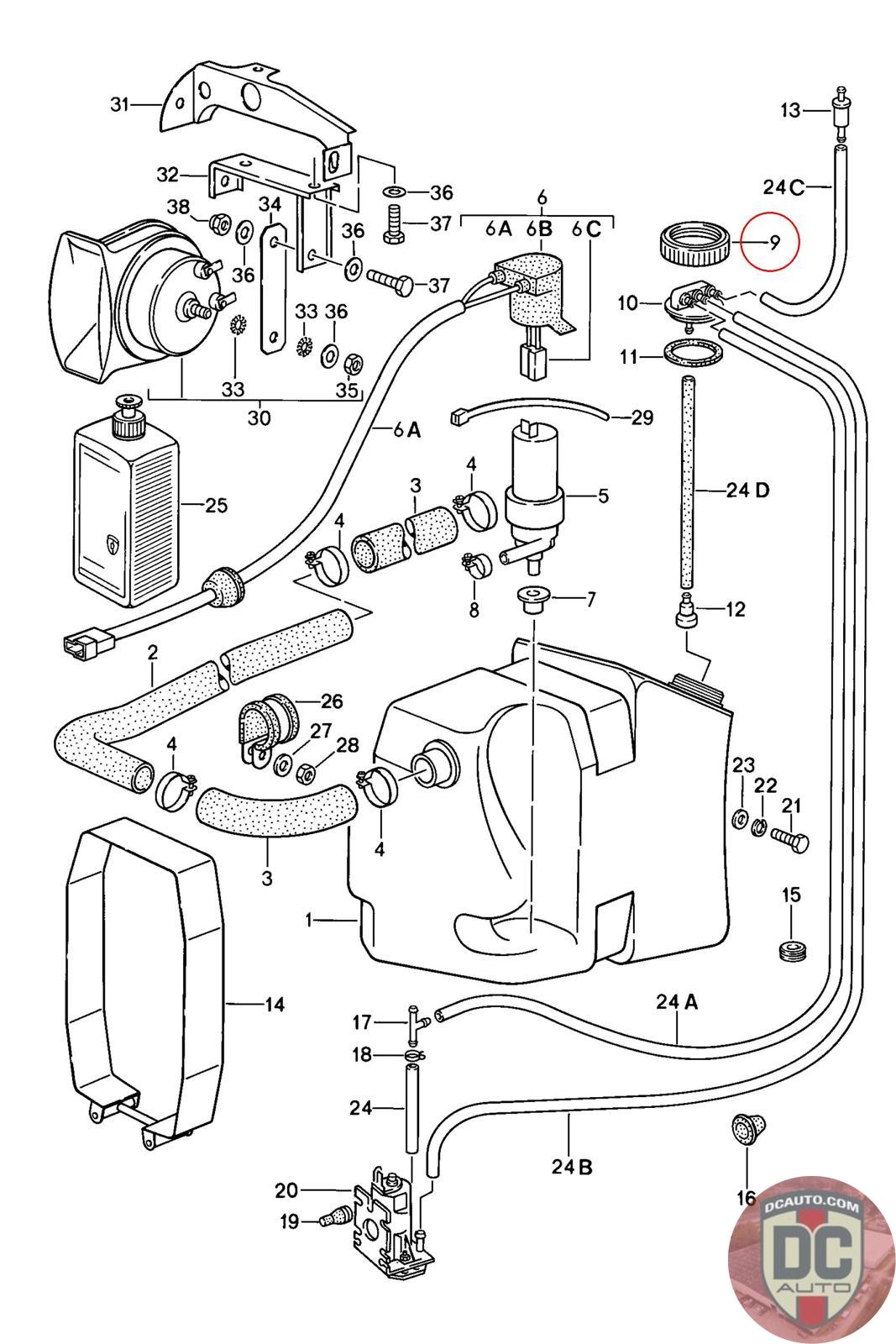
91162873500
THREADED COVER, .
911 628 735 00
SELECT
PART NO
91162873500
DESCRIPTION
Note this is a special order item, delivery estimate 1-2 weeks.
CONDITION
NEW - GENUINE PORSCHE
MANUFACTURER
-
91162873500
Note this is a special order item, delivery estimate 1-2 weeks.
NEW - GENUINE PORSCHE
-