90542302630
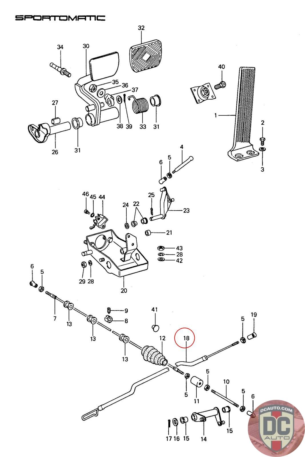
THROTTLE LINKAGE
905 423 026 30 [72-] [911 T-K]
SELECT
SERIAL #
58060
DESCRIPTION
-
CONDITION
USED - X
MILEAGE
-
PRICE
$35.00
QTY
Available: 999
58060
-
USED - X
-
$
35.00
Available: 999