90011600602
LOCK WASHER
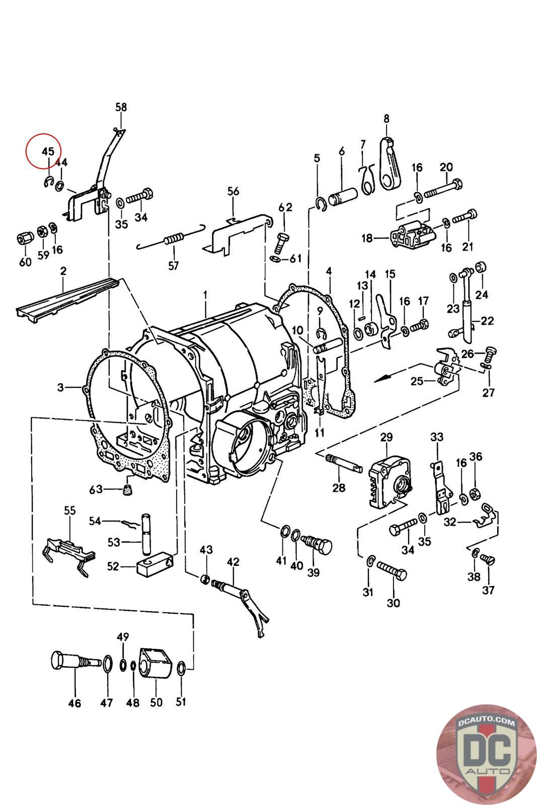
900 116 006 02
SELECT
PART NO
90011600602
DESCRIPTION
Note this is a special order item, delivery estimate 1-2 weeks.
CONDITION
NEW - GENUINE PORSCHE
MANUFACTURER
-
PRICE
$1.97
QTY
Available: 999
90011600602
Note this is a special order item, delivery estimate 1-2 weeks.
NEW - GENUINE PORSCHE
-
$
1.97
Available: 999