91110404400
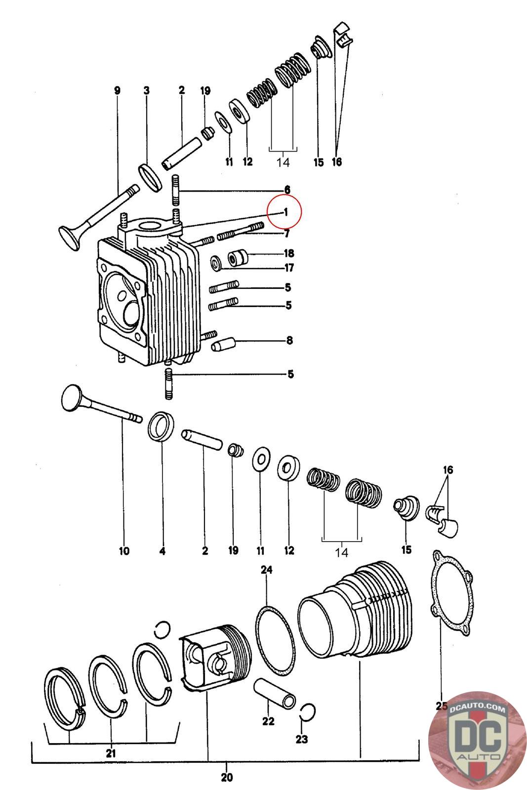
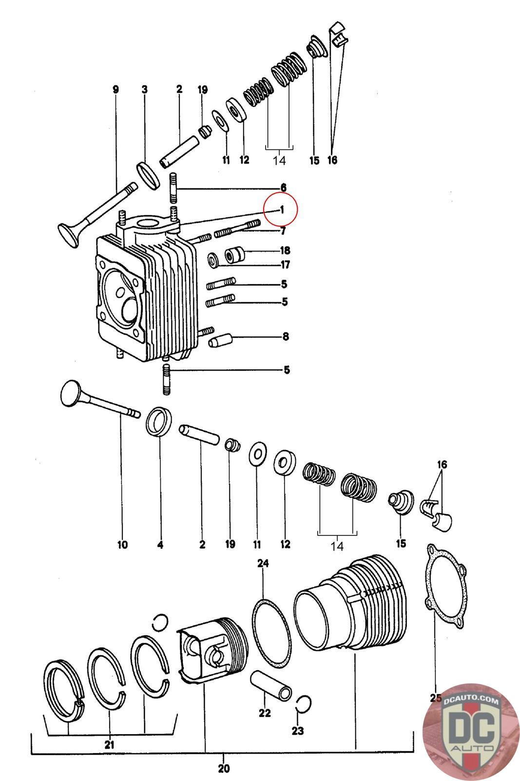
CYLINDER HEAD
911 104 044 00 [Without valves] [911/41/46/92/97]
SELECT
SERIAL #
84093
DESCRIPTION
Core. Date code: 6-73. Has broken fins, a stud broke off inside, a bent stud, and a gouge near intake and exhaust valves.
CONDITION
USED - CORE
MILEAGE
-
PRICE
$150.00
$200.00
QTY
Available: 1
84093
Core. Date code: 6-73. Has broken fins, a stud broke off inside, a bent stud, and a gouge near intake and exhaust valves.
USED - CORE
-
$
150.00
On Sale! $200.00
Available: 1
SELECT
SERIAL #
84096
DESCRIPTION
Date code: 11-73. Broken fins, damaged stud point, gouge beside intake valve, and missing studs
CONDITION
USED - X
MILEAGE
-
PRICE
$150.00
$200.00
QTY
Available: 1
84096
Date code: 11-73. Broken fins, damaged stud point, gouge beside intake valve, and missing studs
USED - X
-
$
150.00
On Sale! $200.00
Available: 1