91110404602
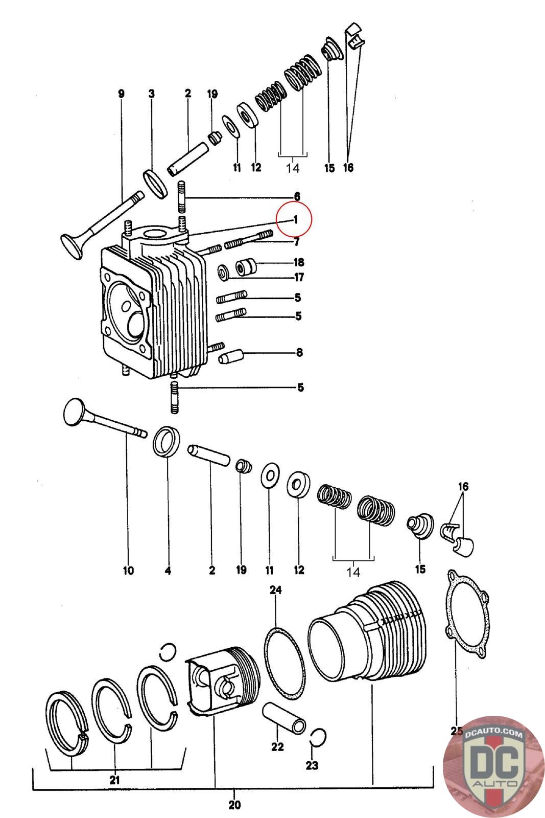
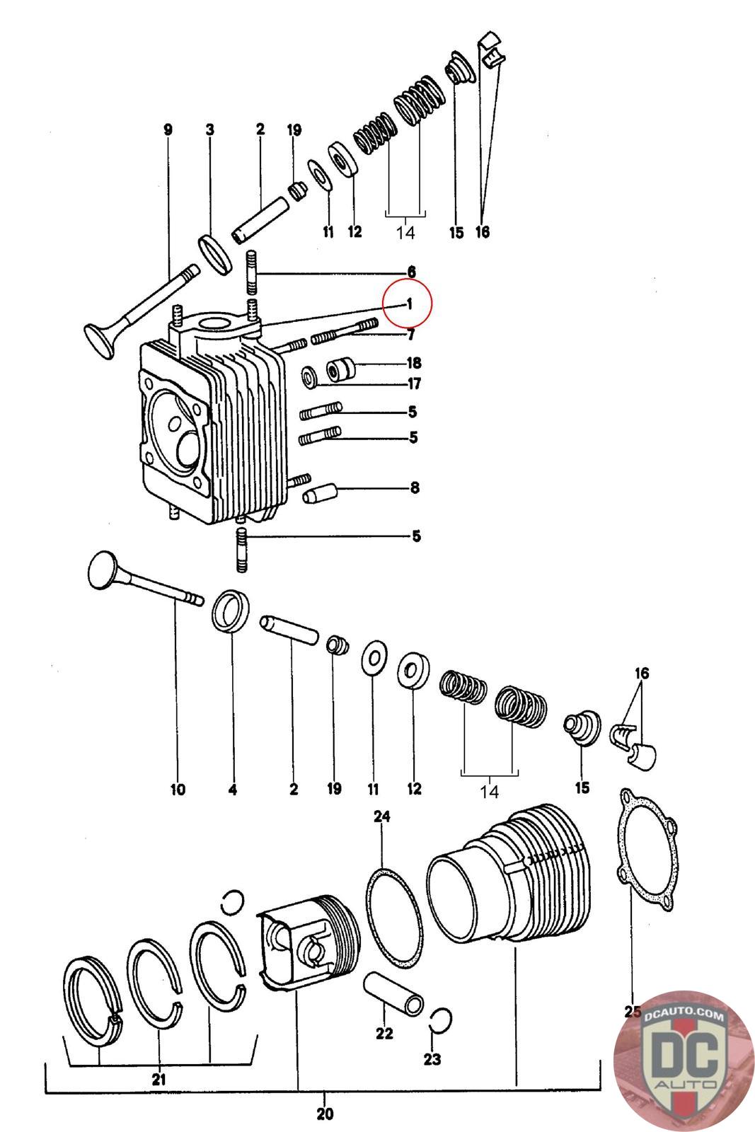
CYLINDER HEAD
911 104 046 02 [Without valves]
SELECT
SERIAL #
84135
DESCRIPTION
Good used. Date code: 10-74. Has some broken/bent fins.
CONDITION
USED - B
MILEAGE
-
PRICE
$225.00
$300.00
QTY
Available: 1
84135
Good used. Date code: 10-74. Has some broken/bent fins.
USED - B
-
$
225.00
On Sale! $300.00
Available: 1
SELECT
SERIAL #
84183
DESCRIPTION
Core. Date code: 2-76. Deep gouges near the intake and exhaust valves and has a bent stud
CONDITION
USED - CORE
MILEAGE
-
PRICE
$150.00
$200.00
QTY
Available: 1
84183
Core. Date code: 2-76. Deep gouges near the intake and exhaust valves and has a bent stud
USED - CORE
-
$
150.00
On Sale! $200.00
Available: 1