91111042002
INTAKE TUBE
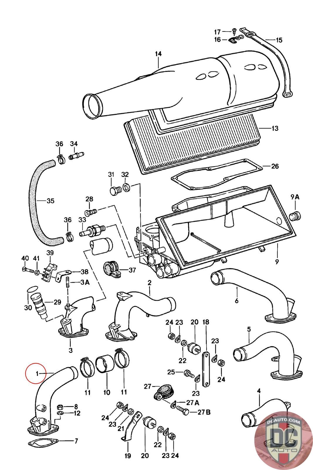
911 110 420 02 [1980-] [Cyl 1/Cyl 6]
SELECT
SERIAL #
88721
DESCRIPTION
Has some corrosion/pitting and part of the tip is chipped. 911.110.167.2R casting. Two tapped holes.
CONDITION
USED - X
MILEAGE
-
PRICE
$37.50
$50.00
QTY
Available: 1
88721
Has some corrosion/pitting and part of the tip is chipped. 911.110.167.2R casting. Two tapped holes.
USED - X
-
$
37.50
On Sale! $50.00
Available: 1
SELECT
SERIAL #
58237
DESCRIPTION
-
CONDITION
USED - X
MILEAGE
-
PRICE
$37.50
$50.00
QTY
Available: 999
58237
-
USED - X
-
$
37.50
On Sale! $50.00
Available: 999