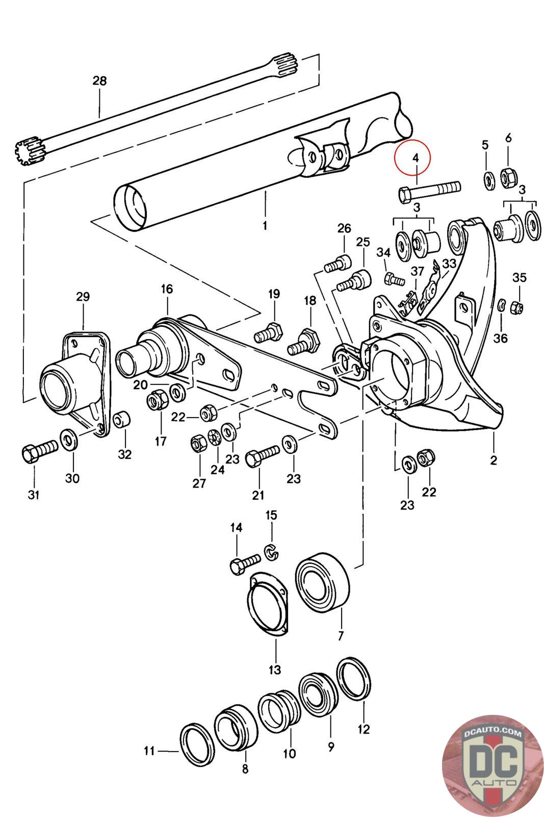
90008209202
HXHD SCREW 14X1.5X80
900 082 092 02
SELECT
PART NO
90008209202
DESCRIPTION
Note this is a special order item, delivery estimate 1-2 weeks.
CONDITION
NEW - GENUINE PORSCHE
MANUFACTURER
-
PRICE
$4.97
OUT OF STOCK
90008209202
Note this is a special order item, delivery estimate 1-2 weeks.
NEW - GENUINE PORSCHE
-
$
4.97
Available: 0