93035295700
COMPRESSION SPRING, .
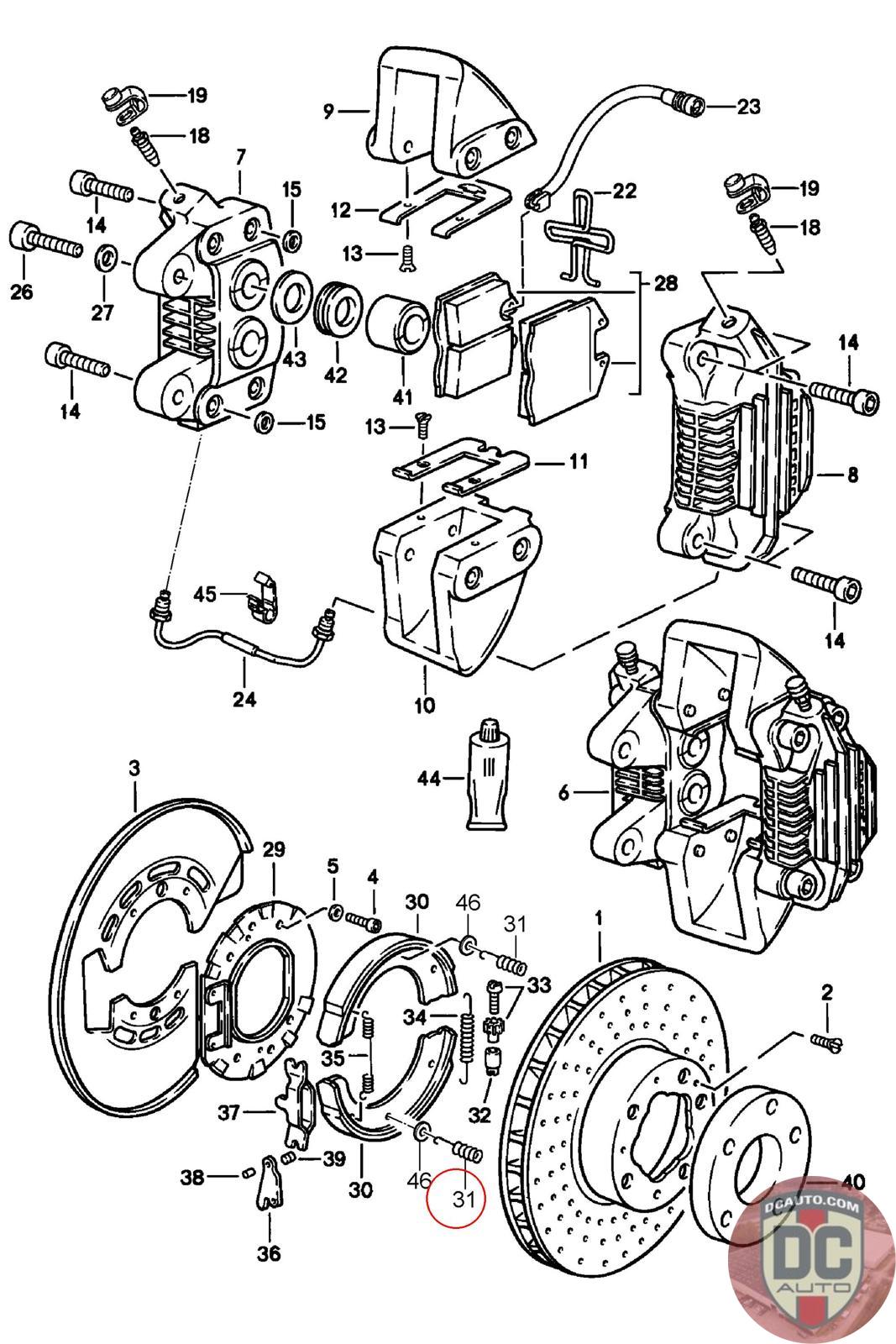
930 352 957 00
SELECT
PART NO
93035295700
DESCRIPTION
Note this is a special order item, delivery estimate 1-2 weeks.
CONDITION
NEW - GENUINE PORSCHE
MANUFACTURER
-
PRICE
$12.97
OUT OF STOCK
93035295700
Note this is a special order item, delivery estimate 1-2 weeks.
NEW - GENUINE PORSCHE
-
$
12.97
Available: 0