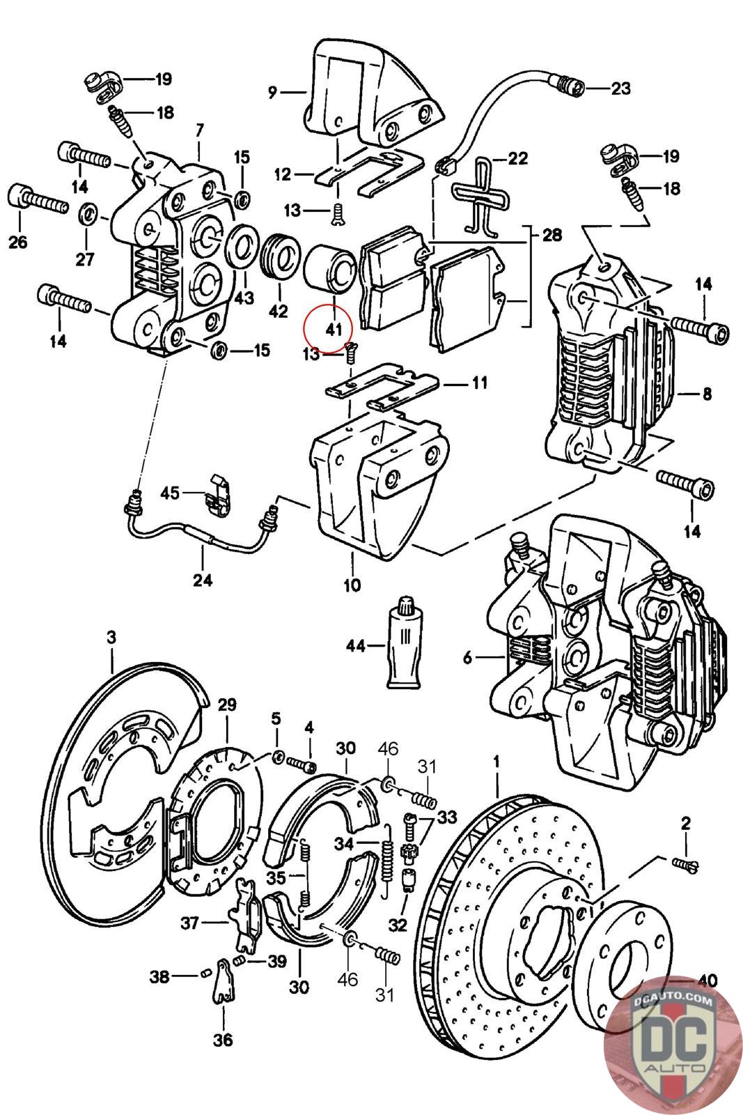
93035255501
PISTON 30MM
930 352 555 01
SELECT
PART NO
93035255501
DESCRIPTION
Note this is a special order item, delivery estimate 1-2 weeks.
CONDITION
NEW - GENUINE PORSCHE
MANUFACTURER
-
PRICE
$49.97
OUT OF STOCK
93035255501
Note this is a special order item, delivery estimate 1-2 weeks.
NEW - GENUINE PORSCHE
-
$
49.97
Available: 0