93035255400
SCRAPER RING
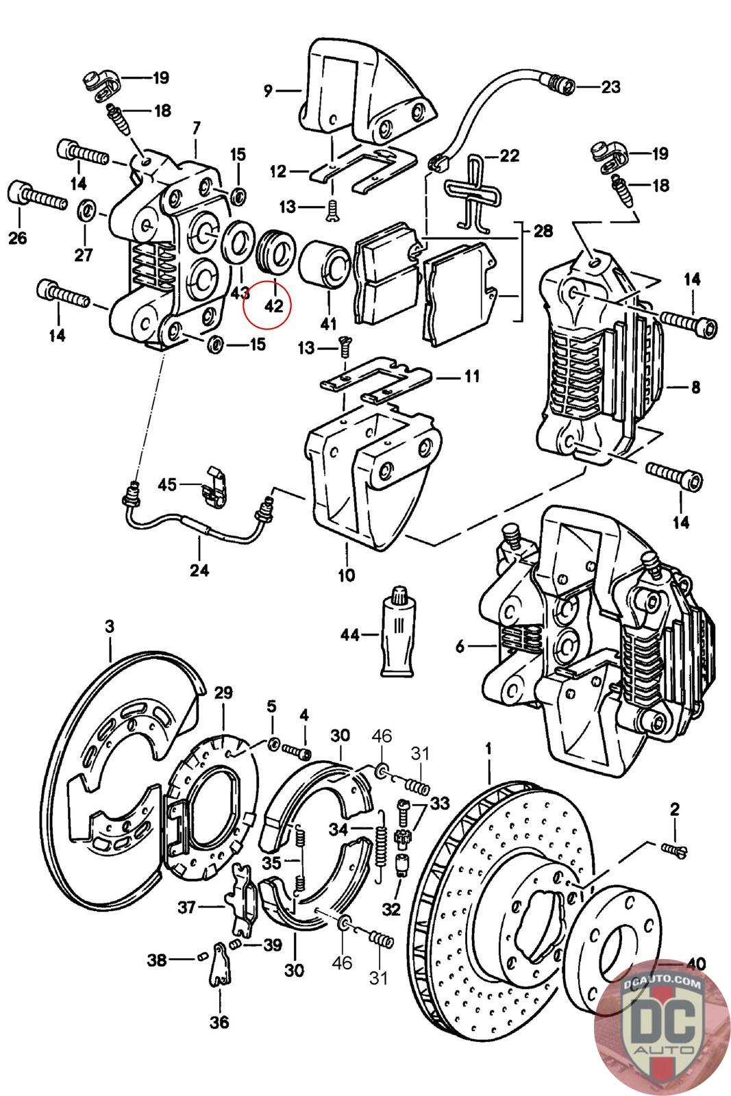
930 352 554 00
SELECT
PART NO
93035255400
DESCRIPTION
Note this is a special order item, delivery estimate 1-2 weeks.
CONDITION
NEW - GENUINE PORSCHE
MANUFACTURER
-
PRICE
$24.97
OUT OF STOCK
93035255400
Note this is a special order item, delivery estimate 1-2 weeks.
NEW - GENUINE PORSCHE
-
$
24.97
Available: 0