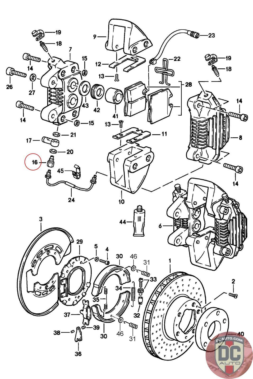
99913500202
SCREW SOCKET
999 135 002 02 [1984]
SELECT
PART NO
99913500202
DESCRIPTION
Note this is a special order item, delivery estimate 1-2 weeks.
CONDITION
NEW - GENUINE PORSCHE
MANUFACTURER
-
PRICE
$9.97
QTY
Available: 999
99913500202
Note this is a special order item, delivery estimate 1-2 weeks.
NEW - GENUINE PORSCHE
-
$
9.97
Available: 999