93035154003
SPRING PLATE
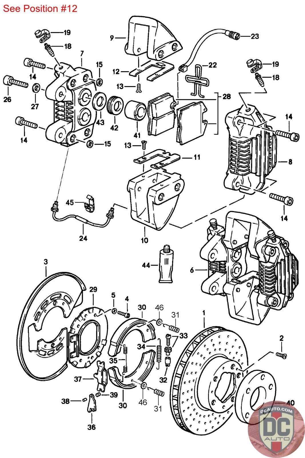
930 351 540 03
SELECT
PART NO
93035154003
DESCRIPTION
Note this is a special order item, delivery estimate 1-2 weeks.
CONDITION
NEW - GENUINE PORSCHE
MANUFACTURER
-
PRICE
$27.97
OUT OF STOCK
93035154003
Note this is a special order item, delivery estimate 1-2 weeks.
NEW - GENUINE PORSCHE
-
$
27.97
Available: 0