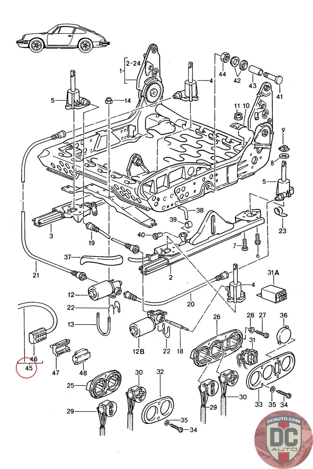
91161252101
WIRING HARNESS F. ELECTR. SEAT EQUIPMENT
911 612 521 01
SELECT
SERIAL #
59740
DESCRIPTION
-
CONDITION
USED - X
MILEAGE
-
PRICE
$48.75
$65.00
QTY
Available: 999
59740
-
USED - X
-
$
48.75
On Sale! $65.00
Available: 999