99919036340
PLUG 4.1X8, .
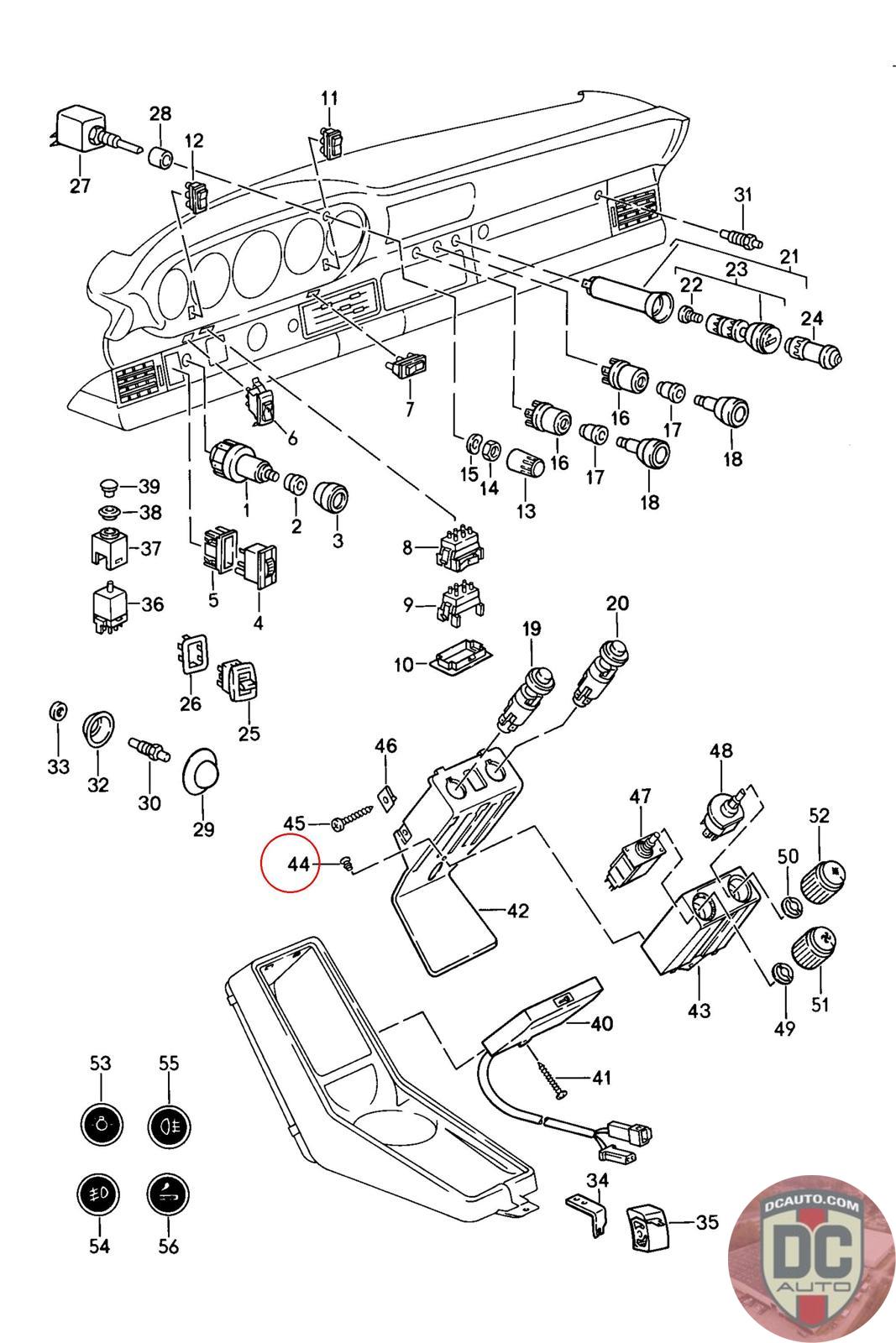
999 190 363 40
SELECT
PART NO
99919036340
DESCRIPTION
Note this is a special order item, delivery estimate 1-2 weeks.
CONDITION
NEW - GENUINE PORSCHE
MANUFACTURER
-
PRICE
$1.97
OUT OF STOCK
99919036340
Note this is a special order item, delivery estimate 1-2 weeks.
NEW - GENUINE PORSCHE
-
$
1.97
Available: 0