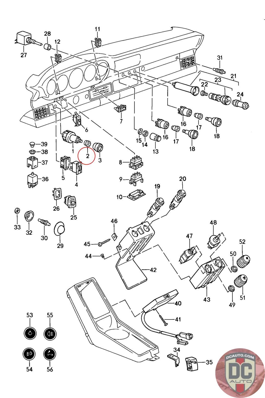
91161321307
ROSE, .
911 613 213 07
SELECT
PART NO
91161321307
DESCRIPTION
Note this is a special order item, delivery estimate 1-2 weeks.
CONDITION
NEW - GENUINE PORSCHE
MANUFACTURER
-
PRICE
$4.97
OUT OF STOCK
91161321307
Note this is a special order item, delivery estimate 1-2 weeks.
NEW - GENUINE PORSCHE
-
$
4.97
Available: 0