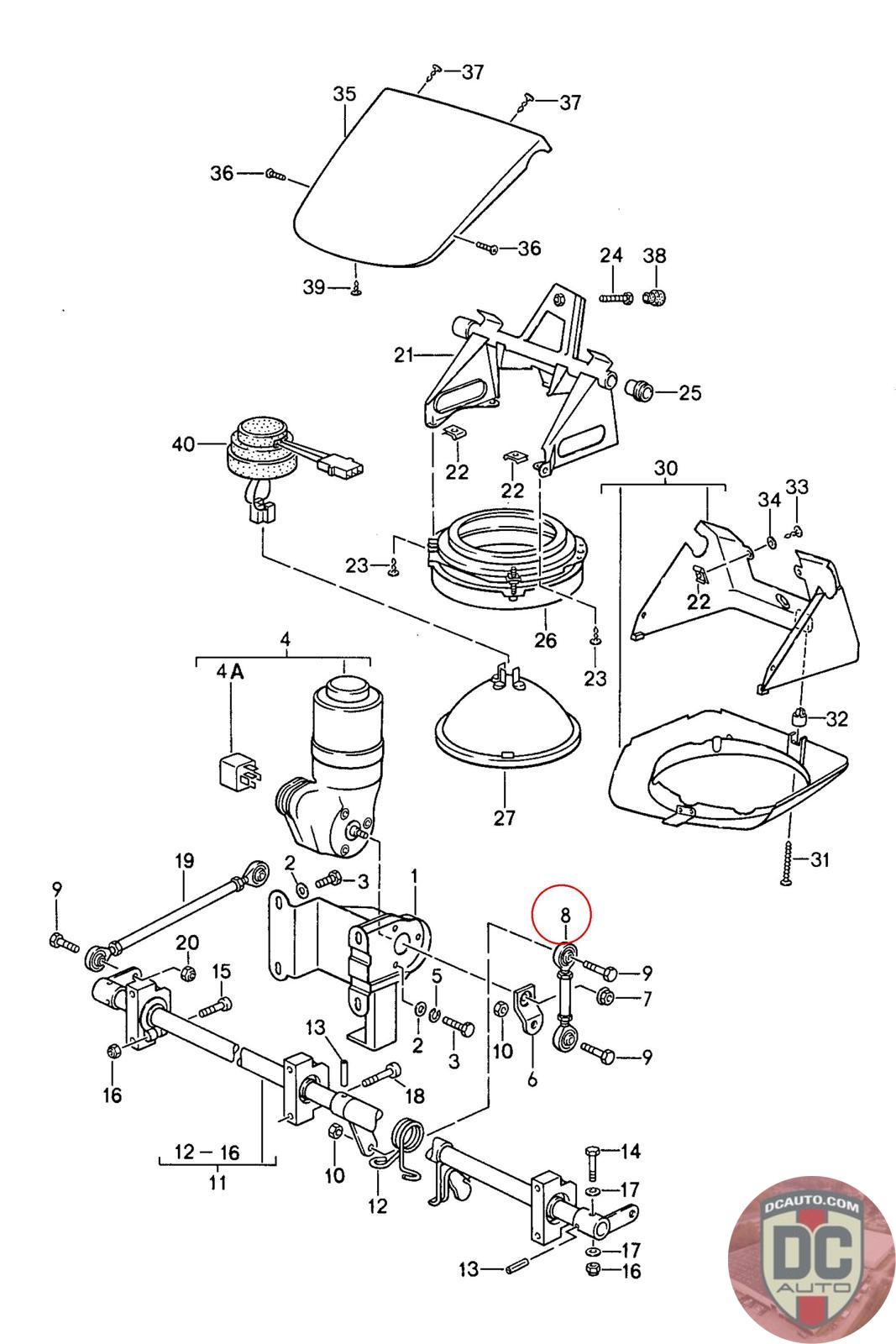
91150392800
CONNECTING ROD
911 503 928 00
SELECT
SERIAL #
58886
DESCRIPTION
-
CONDITION
USED - X
MILEAGE
-
PRICE
$180.00
$240.00
QTY
Available: 997
58886
-
USED - X
-
$
180.00
On Sale! $240.00
Available: 997