91150390900
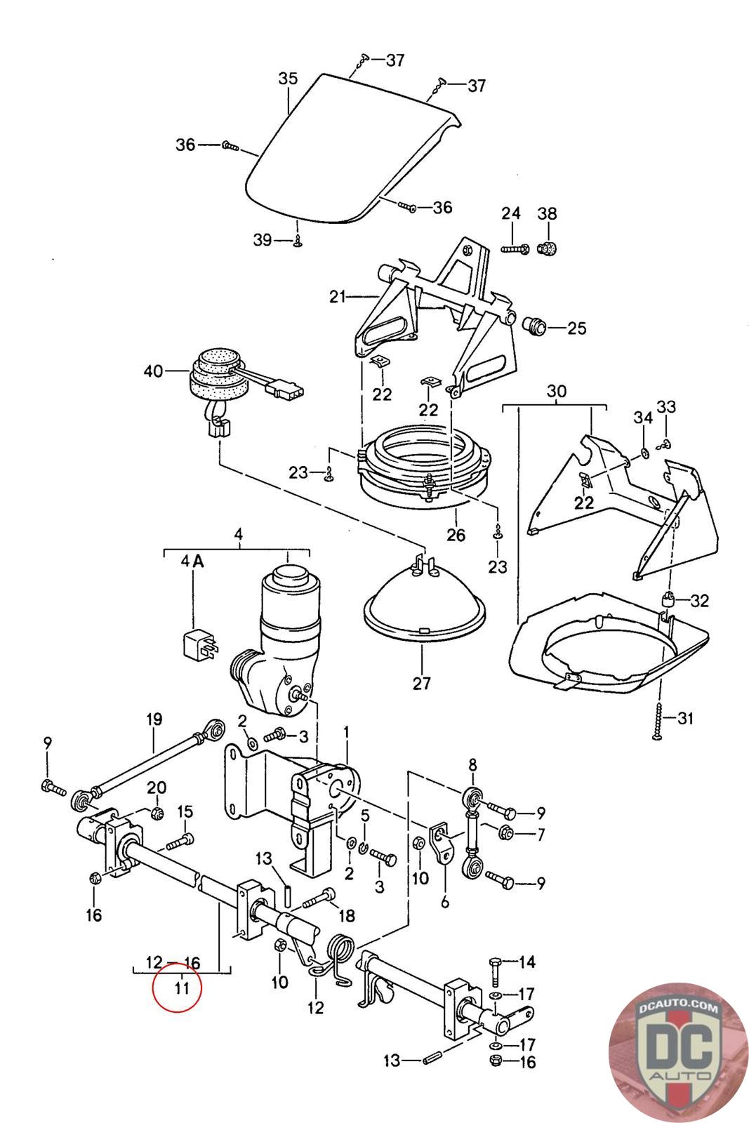
CONTROL SHAFT COMPLETE
911 503 909 00
SELECT
SERIAL #
58879
DESCRIPTION
-
CONDITION
USED - X
MILEAGE
-
PRICE
$412.50
$550.00
QTY
Available: 998
58879
-
USED - X
-
$
412.50
On Sale! $550.00
Available: 998