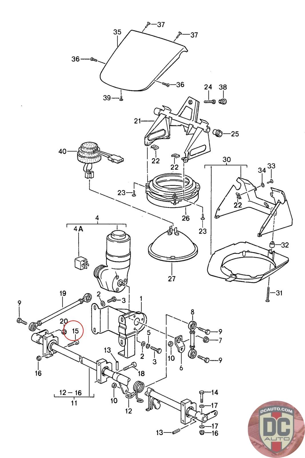
90006709702
PAN-HEAD SCREW M 6X30, .
900 067 097 02
SELECT
PART NO
90006709702
DESCRIPTION
Note this is a special order item, delivery estimate 1-2 weeks.
CONDITION
NEW - GENUINE PORSCHE
MANUFACTURER
-
PRICE
$2.97
OUT OF STOCK
90006709702
Note this is a special order item, delivery estimate 1-2 weeks.
NEW - GENUINE PORSCHE
-
$
2.97
Available: 0