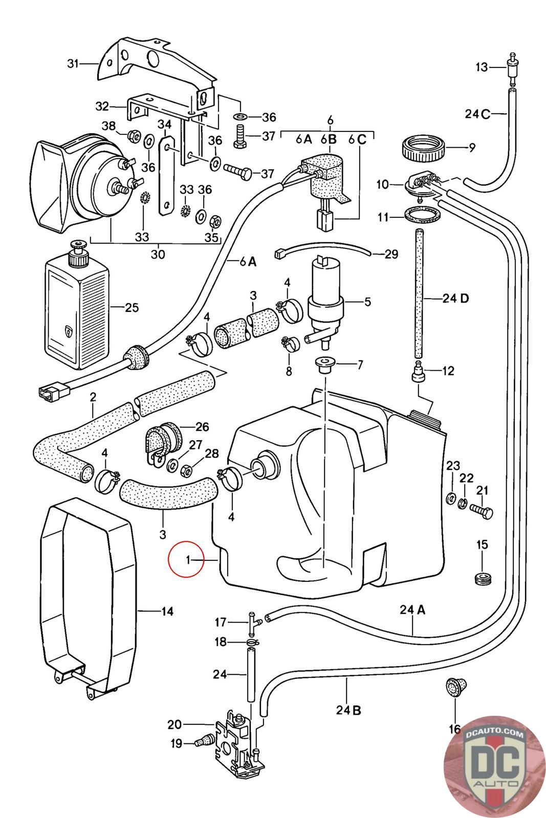
91162807510
WATER RESERVOIR, 07-2016
911 628 075 10 [87]
SELECT
SERIAL #
47497
DESCRIPTION
-
CONDITION
USED - X
MILEAGE
-
PRICE
$300.00
$400.00
QTY
Available: 998
47497
-
USED - X
-
$
300.00
On Sale! $400.00
Available: 998